Dans le cadre du module SAE 2.05, notre équipe a développé un projet ambitieux : concevoir et planifier un festival de jeux de combat d'envergure internationale à l'Arena de Montpellier. Cette initiative visait à créer un événement fédérateur pour la communauté des jeux de combat, particulièrement dans le sud de la France, une région riche en talents mais souvent sous-représentée dans les grands événements du genre.
En tant que membre de l'équipe organisatrice, j'ai participé à la conception d'une expérience immersive intégrant trois tournois majeurs : Super Smash Bros Ultimate, Tekken 8 et Street Fighter 6. Notre objectif était de créer un événement qui ne se limiterait pas à la compétition, mais qui favoriserait aussi les échanges et le développement de la communauté.
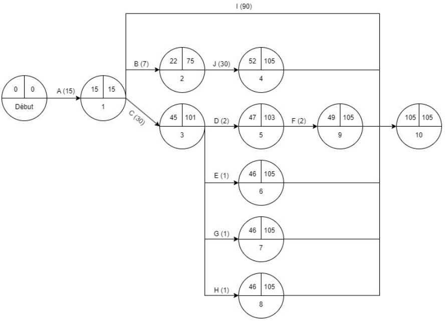
Notre approche s'est structurée autour d'une planification rigoureuse utilisant les diagrammes de Gantt et PERT. Nous avons développé un modèle économique innovant intégrant une stratégie de billetterie "Early Bird" et établi une distribution équitable des cashprizes. La gestion logistique a été optimisée pour accueillir un grand nombre de participants tout en maintenant une expérience de qualité.
L'organisation technique s'est appuyée sur une infrastructure solide, combinant une base de données Oracle pour la gestion des inscriptions, un serveur NGINX pour les performances web, et des solutions de messagerie sécurisées. La consultation d'experts de la communauté, notamment Ragyan pour Super Smash Bros Ultimate, a permis d'affiner nos choix techniques.
Les principaux défis techniques rencontrés et résolus incluent :
Ce projet m'a permis de développer une expertise dans la gestion de projet événementiel, la planification stratégique, et la mise en place d'infrastructures techniques complexes. J'ai notamment perfectionné mes compétences en gestion de bases de données, configuration de serveurs, et organisation logistique à grande échelle.
L'expérience a également renforcé mes capacités en matière de gestion financière, de travail en équipe, et de communication avec les parties prenantes. La dimension environnementale et sociale du projet m'a sensibilisé à l'importance d'une approche responsable dans l'organisation d'événements.
Charlie's Festival Adventure représente plus qu'un simple exercice académique : c'est une démonstration de notre capacité à concevoir un événement d'envergure intégrant des aspects techniques, logistiques et communautaires. La méthodologie développée et les compétences acquises constituent un socle précieux pour de futurs projets professionnels dans l'événementiel ou la gestion de projet informatique.